


公__司:揚州唯升機械有限公司
地__址:江蘇高郵市湯莊工業(yè)區(qū)
聯系人:劉經理
手__機:15862898754
手__機:15062877988
電__話:0514-84844627
郵__箱:wisheng@139.com

請掃碼加微信,業(yè)務、售后無憂?
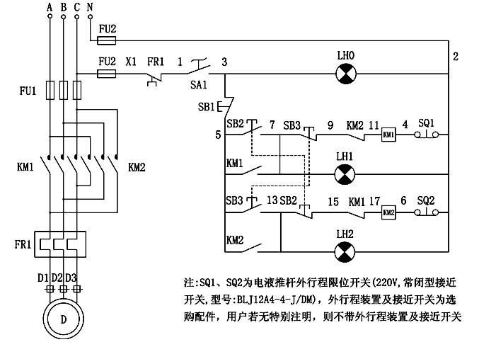
以下為您介紹一般電液推桿電氣控制與接線方法,包括電液推桿電氣控制原理圖、電液推桿接線端子圖,若有疑問可直接聯系廠家獲得技術支持。
因使用場所及工況要求不同,一般情況下,電液推桿不配電氣控制箱,可按客戶需求定制配套。

如無特殊說明,標準配套的電氣控制箱包括現場及遠程切換控制功能,可輸出4~20mA的信號。